Clear records
history record
PRODUCT
RELATED PRODUCT
PRODUCT ADVANTAGE
▶ 1. General Machine Shield
Made by certain width and length after compressing,the general cover is pulled by continuing slices putting together,connected by specially designed parts in order to have sufficient closing and moving.This range of products are suitable for machines which are with urnning speed less than 48m/min.
▶ 2.High-speed Machine Shield
Different from the general protecting cover by pulling flexible slices, this high speed covers could move the slices at the same time, with high steady speed, with low noise and less vibration so as to have longer use on the machines.
▶ 3.Customized Machine Shield
We also offer "customized" covers. Customers could have their own design so as to make the most use of the space, minimized the machine but with maximum processing platform and journey in it; for example:traditional type, asymmetric to carry type, or slope cover...tec.
▶ 4.PVC Cloth Protecting Curtain
The automatic pull-out and take up shield with the stainless steel shell is consists of shell, spring shaft and fabric cloth.The shell is made of stainless steel or cold rolled steel plate, which the surface is anticorrosion treatment. The internal parts are made of heat treatment steel band, This product is compact design and noise free, long travel range and especially suitable for fast operation machine tools.
▶ 5.Aluminium Protecting Curtain
By using German latest process, aluminium alloy material is used for this product, which has brought the problems such as breaking to a final solution.
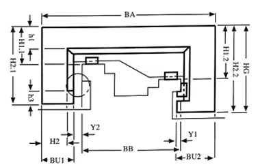
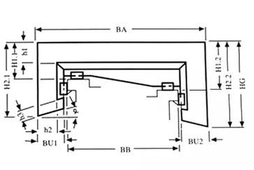
TYPE SPECIFICATION

▶ Shape 1

▶ Shape 2 Top symmetrical expansion cover

▶ Shape 3 Right-handed sloped expansion cover

▶ Shape 4

▶ Shape 5 Right-handed sloped expansion cover

▶ Shape 6 Top unsymmetrical expansion cover

▶ Shape 7

▶ Shape 8 left-handed sloped expansion cover

▶ Shape 9 Left-handed sloped expansion cover

▶ Shape 10 Symmetrical expansion cover
PRODUCT APPLICATION SCENARIOS

Contact Us
