Clear records
history record
PRODUCT
RELATED PRODUCT
YHD CNC Rotary Table Advantages
Compact structure, vibration-free, and cut-resistant.
Utilizes large-diameter, high-precision radial bearings.
Hydraulic, wrap-around brake provides strong locking force and prevents deflection.
Utilizes a deep-tooth, double-lead worm gear for high transmission torque.
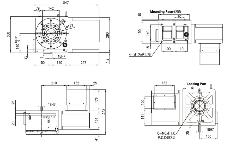
Product Dimensions

Product Parameter
| Item/ Model | Unit | YHD-255 | YHD-320 | YHD-400 | YHD-500 | YHD-630 | YHD-800 | |
| Use Way | - | Vertical & Horizontal | Vertical & Horizontal | Vertical & Horizontal | Vertical & Horizontal | Vertical & Horizontal | Vertical & Horizontal | |
| Locking Method (Hydraulic) | kg/cm² | 30 | 35 | 35 | 35 | 35 | 35 | |
| Table Diameter | mm | φ255 | φ320 | φ400 | φ500 | φ630 | φ800 | |
| Inner Diameter of Mandrel Sleeve | mm | φ80H7 | φ120H7 | φ120H7 | φ180H7 | φ240H7 | φ320H7 | |
| Diameter of Table Central Hole | mm | φ110H7 | φ120H7 | φ120H7 | φ210H7 | φ270H7 | φ400H7 | |
| Center Height (Vertical) | mm | 160 | 210 | 255 | 310 | 400 | 480 | |
| Table T-slot Width | mm | 12H7 | 14H7 | 14H7 | 18H7 | 18H7 | 22H7 | |
| Guide Block Width | mm | 18h7 | 18h7 | 18h7 | 18h7 | 18h7 | 18h7 | |
| Servo Motor Model | FANUC | - | α8i/ß8i | α12i/ß22i | α12i/ß22i | α12i/ß22i | α12i/ß22i | α22i/ß30i |
| MITSUBISHI | - | HF‐104 | HF‐204 | HF‐204 | HF‐204 | HF‐204 | HF‐354 | |
| Maximum Speed | r.p.m | 25 | 25 | 25 | 16.7 | 16.7 | 11.1 | |
| Speed Reduction Ratio | - | 1/120 | 1/120 | 1/120 | 1/180 | 1/180 | 1/240 | |
| Minimum Setting Unit | deg | 0.001° | 0.001° | 0.001° | 0.001° | 0.001° | 0.001° | |
| Indexing Precision | sec | 15 | 15 | 15 | 15 | 15 | 15 | |
| Repeatability | sec | 4 | 4 | 4 | 4 | 4 | 4 | |
| Clamping Torque | N·m | 600 | 1150 | 2000 | 3000 | 6800 | 8600 | |
| Turbine Allowable Torque | N·m | 550 | 780 | 1170 | 2500 | 4100 | 6800 | |
| Allowable Workpiece Load | Vertical | kg | 165 | 220 | 310 | 400 | 600 | 800 |
| Horizontal | kg | 320 | 420 | 620 | 800 | 1200 | 1600 | |
| With tailstock | kg | 320 | 420 | 620 | 800 | 1200 | 1600 | |
| Allowable Thrust Load (With Rotary Table Clamping) | F | N | 20000 | 30000 | 40000 | 40000 | 49000 | 68000 |
| FXL | N·m | 700 | 1180 | 2500 | 3200 | 4500 | 7600 | |
| FXL | N·m | 1120 | 1800 | 4000 | 5000 | 8500 | 9800 | |
| Allowable Inertia | J=W·D²/8 | kg·m² | 2.07 | 4.5 | 10 | 18.7 | 39.7 | 58.6 |
| Net Weight (Servo Motor Excluded) | kg | 105 | 175 | 260 | 480 | 750 | 1080 | |
FAQ
Q1: What is a 4th Axis CNC Rotary Table?
A 4th Axis CNC rotary table is a precision rotary axis added to a milling machine or machining center, allowing the workpiece to rotate accurately around a designated axis. It enables multi-sided machining, complex 3D contouring, and full multi-axis operations, enhancing machining efficiency and repeatability. This makes it an essential accessory for high-precision milling machines and VMC machines.
Q2: What are the advantages of using a CNC rotary indexing table?
A CNC rotary indexing table reduces multiple setups, minimizes manual errors, improves repeatable accuracy, and saves machining time. It allows precise 360° rotary positioning, making it ideal for machining complex parts, molds, and multi-surface components. Using a rotary table with your milling machine ensures consistent quality and higher production efficiency.
Q3: How do I choose the right 4th Axis Rotary Table for my milling machine?
Choosing the right rotary table depends on your machine type (VMC, HMC, or 5-axis), table diameter, clamping system, load capacity, torque, backlash, and required precision. The spindle interface—BT, HSK, or other standards—must also match your machine. Selecting the correct rotary table ensures full compatibility and optimal machining performance.
Q4: Which industries commonly use 4th Axis rotary tables?
4th Axis rotary tables are widely used in aerospace, automotive, medical equipment, mold making, precision engineering, energy, and precision tooling industries. Any sector requiring high-precision multi-axis machining can benefit from integrating a CNC rotary indexing table.
Q5: What is the price range of a CNC 4th Axis rotary table?
The price of a 4th Axis Rotary Table varies depending on table diameter, accuracy level, and additional features such as hydraulic clamping, pneumatic clamping, or through-hole design. Customization options, including high-torque or heavy-load models, also influence pricing. Contact us for a detailed quotation to match your milling machine and application needs.
Q6: Can I retrofit a 4th Axis rotary table to my existing VMC machine?
Yes. Most milling machines and VMCs can be upgraded with a 4th Axis rotary table. Before installation, ensure your machine’s bearing load capacity, control compatibility, and available space are sufficient. We provide technical support and guidance to guarantee smooth installation and reliable performance.
Q7: What maintenance is required for a 4th Axis rotary table?
Routine maintenance is essential to ensure long-term accuracy and reliability. This includes regular lubrication, cleaning clamping surfaces, checking backlash, calibrating zero points, and monitoring wear on ball screws or gears. Proper maintenance extends the service life of your CNC rotary indexing table and ensures consistent machining precision.
Contact Us
