Clear records
history record
PRODUCT
RELATED PRODUCT
Note
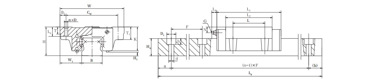
1). Ma,Mb,Mc in the table is shown in the figure, which refers to the rated static moment value of a slider.
2). In the table, Lmax is the maximum length of a single rail. If the guide rail is lengthened, it shall be negotiated separately (it is recommended to equip the rail lengthened punch installation).
3). If there is no special requirement for a single rail, the end size shall be equally divided.

Specifications
| Spec. | Linear guide | Dimension of block | Dimension of rail | |||||||||||||
| H | W1 | K | W | L1 | Cw | L | D | T | T1 | B2 | L0 | L2 | H1 | B | H0 | |
| GGB16AB | 24 | 15.5 | 19.4 | 47 | 58.5 | 38 | 30 | 4.5 | 7 | 11 | 4.5 | 7 | 40.5 | 4.5 | 16 | 15 |
| GGB20AB GGB20ABL | 30 | 21.5 | 25.4 | 63 | 75.3 90 | 53 | 40 | 6 | 8 | 10 | 5 | 95 | 50.5 65.2 | 4.6 | 20 | 17.5 |
| GGB25AB GGB25ABL | 36 | 23.5 | 30.5 | 70 | 85 104.6 | 57 | 45 | 7 | 8 | 14 | 6.5 | 10 | 59 78.6 | 5.5 | 23 | 22 |
| GGB30AB GGB30ABL | 42 | 31 | 35 | 90 | 97 119 | 72 | 52 | 9 | 10 | 18 | 9 | 10 | 70.6 92 | 5.5 | 28 | 26 |
| GGB35AB GGB35ABL | 48 | 33 | 40 | 100 | 112.2 138.2 | 82 | 62 | 9 | 10 | 18 | 9 | 13 | 80.8 105.8 | 8 | 34 | 29 |
| GGB45IIAB GGB45IIABL | 60 | 37.5 | 49 | 120 | 137 165 | 100 | 80 | 13 | 15 | 25 | 10 | 15 | 102.8 130 | 9 | 45 | 38 |
| GGB55AB GGB55ABL | 70 | 43.5 | 57 | 140 | 161 199 | 116 | 95 | 14 | 20 | 29 | 12 | 17 | 118 156 | 11 | 53 | 44 |
| GGB65AB GGB65ABL | 90 | 53.5 | 76 | 170 | 199 259 | 142 | 110 | 16 | 23 | 37 | 14 | 23 | 147 207 | 12 | 63 | 53 |
| GGB85AB GGB85ABL | 110 | 65 | 94 | 215 | 247 304 | 185 | 140 | 18 | 30 | 55 | 15 | 30 | 179 236 | 12 | 85 | 65 |
Contact Us
