Clear records
history record
PRODUCT
RELATED PRODUCT
BMT series double head driven tool holder is a specialized accessory for CNC lathes and turning centers, engineered to fit BMT (Base Mounting Tool) turret systems. It supports the concurrent operation of two cutting tools, significantly improving machining productivity and operational versatility. Renowned for their rigidity, accuracy, and durability, these holders are ideal for high-demand machining tasks.
0 DEGREE DOUBLE HEAD DRIVEN TOOL HOLDER

Technical Parameters
| MODEL | LOCKING WAY | A | B | C | D | E | F | G | H | N.W.(KG) |
| BMT40-0-ST | INTERNAL | 40 | ER16 | 40 | 76.1 | 60 | 50 | 80 | 75 | 3.6 |
| BMT45-0-ST | EXTERNAL | 45 | 48 | 88.2 | 58 | 58 | 95 | 75 | 3.9 | |
| BMT55-0-ST | 55 | 56 | 64 | 64 | 103 | 85 | 4.2 | |||
| BMT65-0-ST | 65 | 56 | 70 | 73 | 103 | 94 | 4.5 |
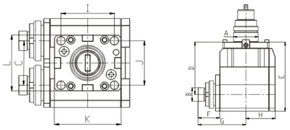
90 DEGREE DOUBLE HEAD DRIVEN TOOL HOLDER

Technical Parameters
| MODEL | LOCKING WAY | A | B | C | D | E | F | G | H | I | J | K | L | N.W.(KG) |
| BMT40-90-ST | EXTERNAL | 40 | ER16 | 50 | 85 | 112 | 35.2 | 77.6 | 47.5 | 60 | 50 | 75 | 63 | 11 |
| BMT45-90-ST | 45 | ER20 | 56 | 115 | 35.7 | 80.7 | 58 | 58 | 58 | 85 | 75 | 12 | ||
| BMT55-90-ST | 55 | 35.6 | 64 | 64 | 90 | 85 | 12.4 | |||||||
| BMT65-90-ST | 65 | 100 | 130 | 35.7 | 70 | 73 | 90 | 94 | 13.5 |
Contact Us
