Clear records
history record
PRODUCT
RELATED PRODUCT
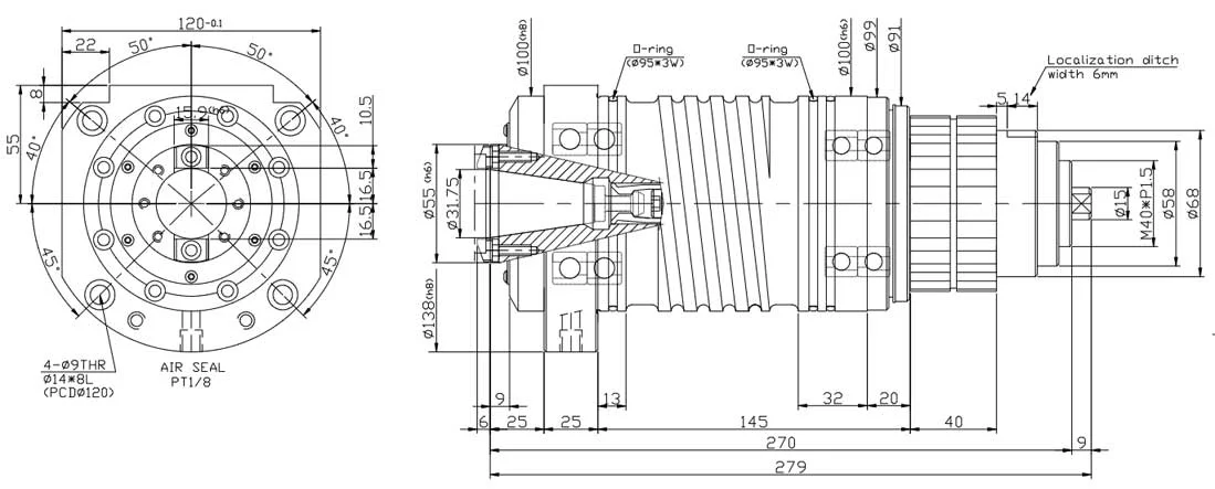
PRODUCT MODEL

B:Series code
40:National Taper No.
150-Housing diameter
E-Spindle option function
PRODUCT PARAMETER
| Type | B30-100 | B30-120 | B40-120 | B40-140 | B40-150 | B50-160 | B50-190 | B50-190B |
| Housing Diameter (mm) | φ100 | φ120 | φ120 | φ140 | φ150 | φ160 | φ190 | φ190 |
| Max. speed (rpm) | 8000 | 8000 | 8000 | 8000 | 8000 | 5000 | 4000 | 4000 |
| 10000 | 10000 | 10000 | 10000 | 10000 | 6000 | 6000 | 6000 | |
| 12000 | 12000 | 12000 | 12000 | 12000 | 8000 | 8000 | 8000 | |
| Bearing (mm) | φ45 | φ60 | φ60 | φ70 | φ70 | φ80 | φ100 | φ100 |
| Preload | Rigid | Rigid | Rigid | Rigid | Rigid | Rigid | Rigid | Rigid |
| Lubrication | Grease | Grease | Grease | Grease | Grease | Grease | Grease | Grease |
| Pull-force (N) | 2800 | 4000 | 6000 | 8000 | 8000 | 15000 | 20000 | 20000 |
| Belt (teeth) | 5GT-52T | 8YU-46T | 5GT-68T | 8YU-40T (8,000rpm) | 8YU-48T (8,000rpm) | 8YU-54T | 8YU-60T | 8YU-60T |
| 5GT-72T (10,000rpm, 12,000rpm) | 5GT-72T (10,000rpm, 12,000rpm) | |||||||
| Tool Interface | SK / CAT / BT / ISO | SK / CAT / BT / ISO | SK / CAT / BT / ISO | SK / CAT / BT / ISO | SK / CAT / BT / ISO | SK / CAT / BT / ISO | SK / CAT / BT / ISO | SK / CAT / BT / ISO |
| Weight (Kg) | 13 | 29 | 29 | 50 | 52 | 66 | 110 | 86 |
| Power (KW) | Customer | Customer | Customer | Customer | Customer | Customer | Customer | Customer |
PRODUCT FEATURES
High-Speed Performance
Supports spindle speeds from 8,000 to 12,000 rpm;
Ideal for high-speed milling, drilling, and engraving operations
Strong Pull Force
Powerful tool clamping force up to 20,000 N;
Ensures stable and secure tool holding during heavy cutting
Rigid Bearing Support
Equipped with high-rigidity bearings (φ45mm to φ100mm);
Enhances durability, precision, and anti-vibration performance
Multi-Standard Tool Interfaces
Compatible with SK / CAT / BT / ISO tool holders;
Flexible integration with various CNC machine models
Stable Belt Drive System
Reliable belt transmission ensures smooth power delivery and low vibration;
Easier maintenance and lower cost compared to direct-drive spindles
Customizable Power Output
Spindle motor power can be customized to meet specific application needs
Efficient Grease Lubrication
High-quality grease lubrication system for longer lifespan and reduced maintenance
SIMILAR PRODUCT



Contact Us
