Clear records
history record
PRODUCT
RELATED PRODUCT
ORDERING GUIDE
▶ S25 Encoder

▶ S30 Encoder

WIRING TABLE
Signal | A | B | Z | A | B | Z | Vcc | GND |
Color | Green | White | Yellow | Brown | Gray | Orange | Red | Black |
MECHANICAL SPEC.
Max. Shaft Speed (r/min) | Starting Torque | Max. Shaft Loading | Shocking | Vibration |
5000 | <0.03Nm | Radial:15N, Axial:10N | 50G/11 ms | 10G 10-2000Hz |
Rotor Inertia | Operating Temperature | Storage Temperature | Protection | Weight |
4<10-8kgm² | -25℃-80℃ | -30℃-85℃ | IP51 | 70g |
Electrical Spec.
Output Circuit | Open Collector | Voltage | Push-Pull | Line Drive |
Voltage Vcc | DC 5, 8 - 30 | DC 5, 8 - 30 | DC 5, 8 - 30 | 5 |
Current | ≤80 mA | ≤80 mA | ≤150 mA | |
Load Current | 40mA | 40mA | 40mA | 60mA |
High-level output | MIN Vcc*70% | MIN Vcc-2.5V | MIN Vcc-1.5V | MIN 3.4V |
Low-Level output | MAX 0.4V | MAX 0.4V | MAX 0.8V | MAX 0.4V |
Rise Time Tr | MAX 1us | MAX 1us | MAX 1us | MAX 200ns |
Fall Time Tf | MAX 1us | MAX 1us | MAX 1us | MAX 200ns |
Max Responding Frequency | 150kHz | 150kHz | 150kHz | 150kHz |
OUTPUT PHASE SHIFT

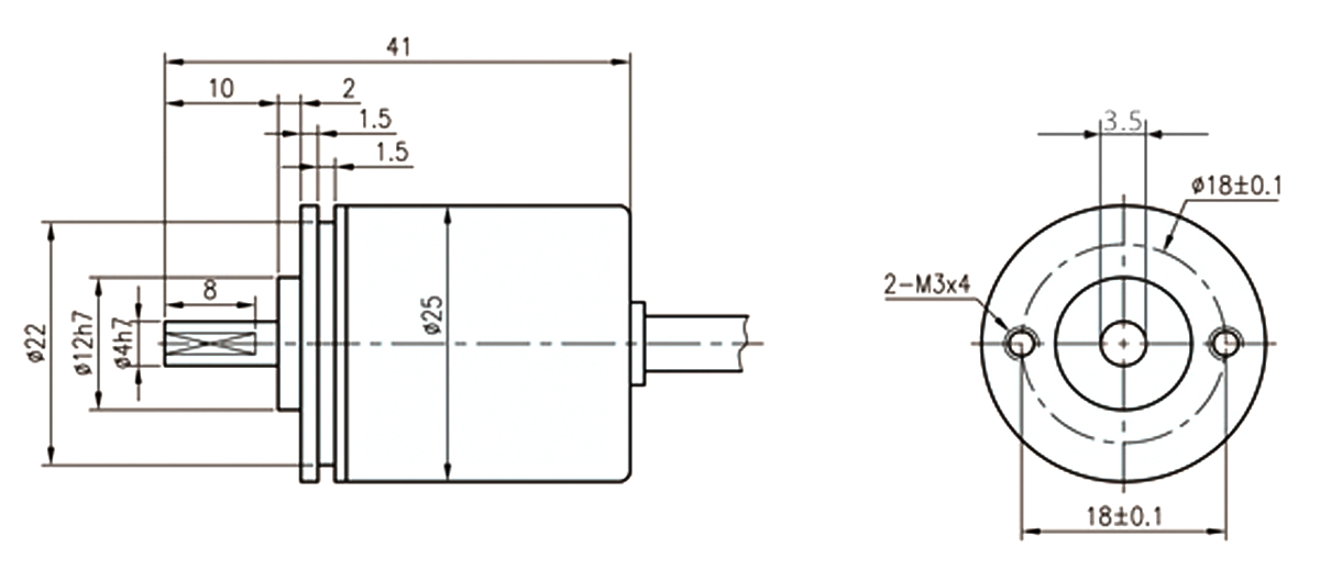
DIMENSION
▶ S25 Encoder

▶ S30 Encoder

FACTORY PHOTO

Contact Us
