Clear records
history record
PRODUCT
RELATED PRODUCT
LDB4 Series CNC Knife Holder
▶ Changes tool without lifting the disc, Non-contact transmitter, three gearteeth location lifting screw threadscamping.Besides the advantages of LD4, it has the better-sealing, it is more suitable for the all kinds of lathes which grades is is higher than C0625.
MODEL NUMBER

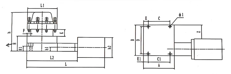
DIMENSION

PRODUCT SHOW


PARAMETER
MODEL | Changing tool time | Max. allowable torque | Repeatability accuracy(mm) | Motor power(w) | Motor speed (r/min) | Net weight (kg) | ||||
90° | 180° | 270° | Mq | Ms | Mx | |||||
LDB4-51B/134 | 1.9 | 2.4 | 3 | 300 | 250 | 700 | <0.005 | 90 | 1400 | 16 |
LDB4-57B/136 | 1.9 | 2.4 | 3 | 400 | 300 | 900 | <0.005 | 90 | 1400 | 18 |
LDB4-70A/152 | 2.4 | 3 | 3.6 | 500 | 350 | 1100 | <0.005 | 120 | 1400 | 25 |
LDB4-81/166 | 2.6 | 3.2 | 3.9 | 600 | 450 | 1400 | <0.005 | 120 | 1400 | 35 |
LDB4-110A/192 | 2.6 | 3.2 | 3.9 | 600 | 450 | 1400 | <0.005 | 120 | 1400 | 50 |
LDB4-120/200 | 2.7 | 3.4 | 4.1 | 700 | 600 | 1800 | <0.005 | 180 | 1400 | 60 |
LDB4-120A/240 | 3 | 3.8 | 4.6 | 1100 | 900 | 3000 | <0.005 | 250 | 1400 | 80 |
LDB4-120/280 | 4.5 | 5.7 | 6.9 | 1300 | 1100 | 3800 | <0.005 | 250 | 900 | 100 |
LDB4-157/300 | 5.3 | 7 | 8.8 | 1800 | 1400 | 4500 | <0.005 | 370 | 900 | 170 |
LDB4-173/350 | 5.8 | 7.8 | 9.6 | 3000 | 2000 | 6000 | <0.005 | 370 | 900 | 182 |
MODEL | Dimension | |||||||||
H | H1 | A | B | C | C1 | D | E | E1 | L | |
LDB4-51B/134 | 51 | 26 | 134 | 138 | 100 | 90 | 120 | 15 | 20 | 366 |
LDB4-57B/136 | 57 | 24 | 136 | 148 | 108 | 108 | 126 | 14 | 14 | 368 |
LDB4-70A/152 | 70 | 22 | 161 | 171 | 126 | 126 | 146 | 12 | 12 | 349 |
LDB4-81/166 | 81 | 26 | 192 | 192 | 152 | 152 | 168 | 20 | 20 | 391 |
LDB4-110A/192 | 110 | 41 | 192 | 192 | 152 | 152 | 168 | 20 | 20 | 391 |
LDB4-120/200 | 120 | 40 | 200 | 200 | 150 | 130 | 177 | 25 | 35 | 444 |
LDB4-120A/240 | 120 | 40 | 240 | 240 | 210 | 210 | 210 | 15 | 15 | 492 |
LDB4-120/280 | 120 | 40 | 280 | 280 | 240 | 240 | 240 | 20 | 20 | 532 |
LDB4-157/300 | 157 | 68 | 300 | 300 | 260 | 260 | 260 | 20 | 20 | 584 |
LDB4-173/350 | 173 | 71 | 350 | 350 | 270 | 270 | 310 | 40 | 40 | 625 |
L1 | L2 | h | h1 | h2 | F | ∅1 | Z | K | ||
LDB4-51B/134 | 134 | 221 | 152 | 17.5 | 90 | 15 | 9 | 55 | 29 | |
LDB4-57B/136 | 136 | 223 | 163 | 17.5 | 90 | 20 | 11 | 56 | 30 | |
LDB4-70A/152 | 152 | 209 | 185 | 17.5 | 90 | 22 | 13 | 55 | 40 | |
LDB4-81/166 | 166 | 251 | 203 | 20 | 90 | 25 | 13 | 82 | 40 | |
LDB4-110A/192 | 192 | 251 | 234 | 26.5 | 90 | 25 | 13 | 82 | 41 | |
LDB4-120/200 | 200 | 297 | 260 | 30 | 98 | 32 | 13 | 89 | 50 | |
LDB4-120A/240 | 240 | 332 | 260 | 30 | 110 | 42 | 13 | 106 | 50 | |
LDB4-120/280 | 280 | 372 | 260 | 30 | 110 | 40 | 13 | 134 | 54 | |
LDB4-157/300 | 300 | 412 | 330 | 60 | 110 | 40 | 17.5 | 163 | 70 | |
LDB4-173/350 | 350 | 450 | 356 | 60 | 110 | 50 | 20 | 210 | 75 | |
Contact Us
