Clear records
history record
PRODUCT
RELATED PRODUCT
XWD Series
▶ Unidirectional choose tool, non-contact transmitter, gear teeth precise positioning, good lean weight and by big diameter screw threads-camping. Well-sealed motor and with the cutters disc spraying. It suites for all kinds of lathes whose grades is higher than C6132.
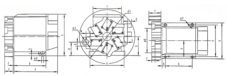
DIMENSION
PARAMETER
|
Model |
Adjacent tool changing time(s) |
Farthest tool changing time(s) |
The max bias torque (Nm) |
Repeatability accuracy(mm) |
Indexing accuracy |
Motor power(w) |
Motor speed (r/min) |
Net weight (kg) |
||
|
6 positions |
8 positions |
6 positions |
8 positions |
|||||||
|
XWD120-6 |
2 |
1.8 |
4 |
4.1 |
30 |
<0.005 |
±7" |
120 |
1400 |
45 |
|
XWD130-6 |
2 |
1.8 |
4 |
4.1 |
50 |
<0.005 |
±7" |
120 |
1400 |
80 |
|
Model |
Dimension |
||||||||||||
|
H |
A |
B |
C |
D |
E |
F |
G |
I |
J |
K |
L |
M |
|
|
XWD120-6 |
85 |
13 |
13 |
6 |
188 |
55 |
270 |
260 |
176 |
332 |
20 |
17 |
25 |
|
XWD130-6 |
136 |
18 |
13 |
30 |
192 |
70 |
262 |
278 |
210 |
383 |
32 |
21 |
25 |
|
N |
O |
P |
Q |
R |
S |
U |
V |
W |
X |
Y |
Z |
||
|
XWD120-6 |
32 |
210 |
8 |
155 |
20 |
140 |
100 |
196 |
222 |
120 |
73 |
20 |
|
|
XWD130-6 |
32 |
264 |
8 |
238 |
14 |
164 |
105 |
234 |
260 |
130 |
73 |
32 |
|
FACTORY SHOW
Contact Us
