Clear records
history record
PRODUCT
RELATED PRODUCT
LATHE TURRET FEATURE
▶ 1.The servo motor is adopted for tool disc translocation, which has precise indexing accuracy, high speed on tool changing, and supports bidirectional translocation and the nearest tool selection.
▶ 2.High- precision triple hirth coupling and hydraulic clamping devices are used to obtain high indexing accuracy,reliable clamping and suitable conditions for heavy cutting.
▶ 3.Precise deceleration institution is designed to reduce noise and withstand high-torque loads.
▶ 4.Turret with 4, 6, 8, 10, 12 or more stations can be produced according to the special needs.
▶ 5.Tool disc and tool holders can be customized according to the special requirements .
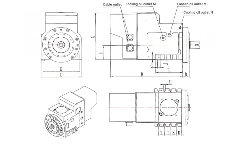
DIMENSIONS

PARAMETER
Item | Unit | Model | |||
SLT63A | SLT80A | SLT100A | SLT125A | ||
Center height | mm | 63 | 80 | 100 | 125 |
Allowed number of tools | 8 | 8;12 | 8;12 | 8;12 | |
Time for 45°ratation and clamping | sec. | 0.9 | 1.1 | 1.4 | 1.8 |
Time for 180°ratation and clamping | sec. | 1.2 | 1.4 | 1.9 | 2.5 |
Clamping force | kg | 1200 | 2800 | 3200 | 5200 |
Hydraulic working pressure | MPa | 3.5±0.5 | 3.5±0.5 | 3.5±0.5 | 3.5±0.5 |
Flow rate | L/min | 20 | 22 | 25 | 30 |
Indexing accuracy | ±4" | ±4" | ±4" | ±4" | |
Accuracy of repeatability | ±1.6" | ±1.6" | ±1.6" | ±1.6" | |
Net weight | kg | 50 | 68 | 88 | 150 |
Model | SLT63A | SLT80A | SLT100A | SLT125A | |
Opposites side | 8T | 228 | 270 | 330 | 390 |
12T | 270 | 340 | 380 | 450 | |
Boring Tool | φ20 φ25 φ32 | φ32 φ40 | φ32 φ40 φ50 | φ40 φ50 | |
O.D Tool | 20 | 25 | 25 | 32 | |
Facing Tool | 20 | 25 | 25 | 32 | |
Model | Dimension | ||||||||
H | A | B | C | D | E | F | G | J | |
SLT63A | 63 | 225 | 380 | 185 | 34 | 135 | 20 | φ15 | 7.5 |
SLT80A | 80 | 260 | 390 | 210 | 35 | 140 | 25 | φ17 | 7.5 |
SLT100A | 100 | 300 | 400 | 250 | 43 | 170 | 30 | φ20 | 9 |
SLT125A | 125 | 330 | 415 | 310 | 52 | 190 | 35 | φ26 | 9 |
K | M | N | O | R | S | T | U | ||
SLT63A | 165 | PT1/4 | PT1/4 | φ30 | 24 | 30 | 30 | 8-φ11 | |
SLT80A | 190 | PT1/4 | PT1/4 | φ40 | 25 | 32 | 32 | 8-φ11 | |
SLT100A | 220 | PT3/8 | PT3/8 | φ50 | 34 | 40 | 30 | 8-φ13 | |
SLT125A | 280 | PT3/8 | PT3/8 | φ63 | 30 | 44 | 43 | 8-φ17 | |
Contact Us
