Clear records
history record
PRODUCT
RELATED PRODUCT
BT40 ROTARY DISC TYPE TOOL MAGAZINE

PRECAUTIONS
1. Check the oil level of ATC
In order to ensure the smooth functioning of ATC,must regularly check the oil level every month in the correct state.Oil mirror in front of the ATC,normal oil level near the center of the red dot down ,the minimum oil level can not be less than the visible range of sight glass.
2. Preview the voltage
In front of the magazine wiring connected to the power,first check whether the motor have good voltage value with the host voltage matching.
3. ATC origin position check
In order to make the tool change operation safety, the general design uses only the original starting point, such as tool change point is not staying home position will not move;Power to the host must be cut off before treatment , after that manually rotate the tool change motor , so that the signal back to the original position.
4. Before the tool is placed in the pocket, make sure the tool size, weight and length, and to ensure screws being screwed into the handle,still to ensure that the size from the shank end to rivet (A) meet the requirements of the machine.Shown in figure,for example:BT40 A=100.4±0.2mm,To ensure the normal broach,when the tool change.The concentricity of the position center in arm shank and spindle center should be within the φ0.02mm.
5. The flow and pressure of external air supply to meet the requirements:air pressure to be stable,Pressure Mpa = 0.5-0.6Mpa,moisture can’t be contained in the air,to avoid damage to the cylinder valve rust.
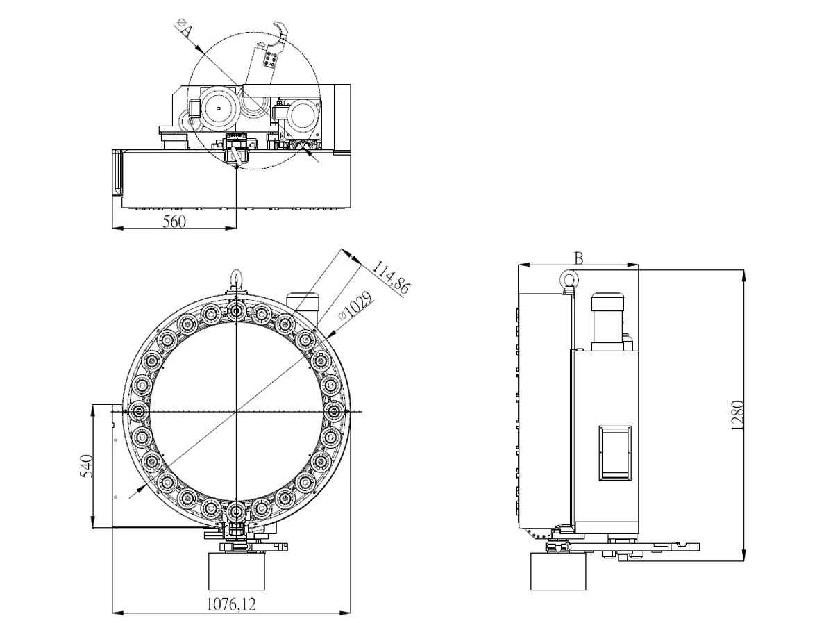
40#CIRCULAR TOOL MAGAZINE OUTLINE DRAWING





PRODUCT SHOW

FACTORY SHOW

Contact Us
